KIA Spectra Клуб

клуб владельцев автомобилей KIA SPECTRA

схема

Список галерей

Ðåêëàìà

схема
Написал slava-s
04-03-2008


Скачиваний: 295
Размер файла: 0 B
Просмотры: 1 655
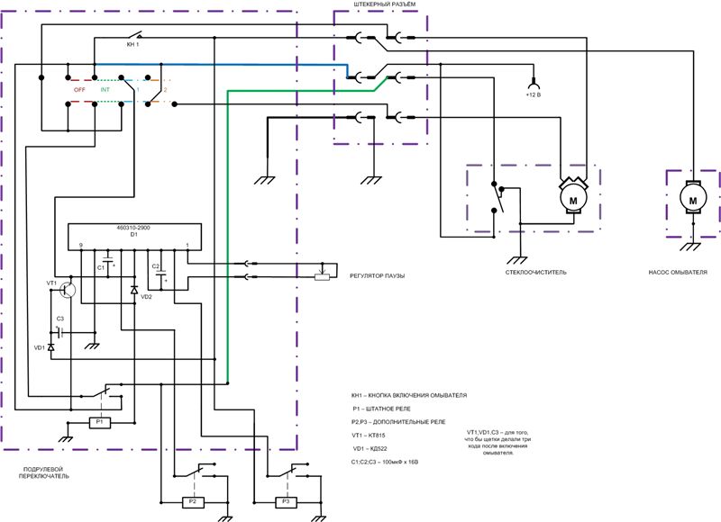
схема переделки паузы дворников.

Комментарии

user13 написал re: схема
- 06-03-2008 13:38

чтоб я так жил! инопланетные технологии в действии...

Alex_404 написал re: схема
- 06-03-2008 21:07

Интересно... сами придумали?